Open Pipe Welding Machine MWG-230
Product Mode:MWG-230
Welding Method:Self-fusion or filler wire
Product Features:Suitable for wall thickness of 2-10mm, with V-shaped grooves and single side welding and double-sided forming
Protection Method:Argon gas and circulating water cooling
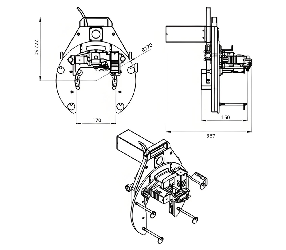
Welding Gun Weight:24KG
Product Introduction
1. Application industry: Pressure vessels, boilers, chemical petroleum, pipeline installation, etc
2. Scope of application: Welding of materials such as stainless steel, carbon steel, etc
3. This device is used in conjunction with the MWA-400 integrated control power supply
4. Welding form: docking, plug-in connection
5. Warranty period: One year

Product advantages
1. The clamp type fixture makes the installation of the welding gun convenient and reliable;
2. The gun head and welding torch are partially cooled by circulating water to improve the temporary loading rate;
3. Equipped with automatic arc length and lateral swing functions, reducing manual interference;
4. Suitable for wall thickness of 3-12mm, with V-shaped grooves and single side welding and double-sided forming
5. Adopting imported core components and materials, durable, reliable, safe, and precise
Product parameters
| Suitable pipe diameter | Φ130mm-Φ230mm | Cooling method | Circulating water cooling |
| Welding wire diameter | Φ0.8mm, Φ1.2mm | External dimensions | 590mm×497mm×730mm |
| Applicable materials | Stainless steel, carbon steel | Welding gun weight | 24KG |
| Tungsten electrode diameter | Φ2.4mm | Supporting power supply | MWA-400 |
| Protective gas | Argon | Manual adjustment of welding gun angle | less or equal to 45 degree |
Configuration List
| Number | NAME | SPECIFICATIONS | UNIT | QUANTITY | NOTE |
| 1 | Open pipe welding machine | MWG-230 | Piece | 1 | Standard |
| 2 | Integrated control power supply | MWA-400 | Piece | 1 | Standard |
| 3 | Tungsten needle | Ф2.4mm×150mm,Ф3.2mm×150mm | Piece | 1 | Standard |
| 4 | Tungsten electrode clamp | Ф2.4mm,Ф3.2mm | Piece | 1 | Standard |
| 5 | Ceramic nozzles | Customization | Piece | 1 | Standard |
| 6 | Inner Clamps | Customization | Piece | 1 | Standard |
| 7 | External Clamps | Customization | Piece | 1 | Standard |
| 8 | External wire feeder | Customization | Piece | 1 | Standard |
| 9 | Groove machine | Customization | Piece | 1 | Optional |
| 10 | Tungsten needle grinding machine | Customization | Piece | 1 | Optional |
Related Accessories

External Wire Feeder

Groove Machine

Tungsten needle grinding machine






